
Motor Micro DC sin correos
VSD ofrece motores Micro DC Coreless, que son la opción líder de la industria para su excelente rendimiento y una amplia gama de aplicaciones. Nuestros productos cubren dos series, cepilladas y sin escobillas, para satisfacer las diferentes necesidades de los clientes.
Nuestros motores Micro DC Coreless también se pueden integrar con cajas de cambios planetarias o codificadores magnéticos para el control de circuito cerrado, llevando las aplicaciones técnicas al siguiente nivel.
Descripción
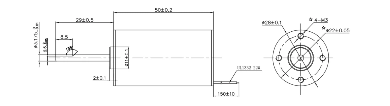
| Imagen de producto | |||||||||
| Modelo de motor | Vec -1218 | Vec -1628 | Vec -1630 | Vec -2233 | |||||
| VOLTAJE | Rango operativo | 8~14 | 22~26 | 8~14 | 22~26 | 8~14 | 22~26 | 8~14 | 20~26 |
| NOMINAL V |
12 | 24 | 12 | 24 | 12 | 24 | 12 | 24 | |
| Sin carga | VELOCIDAD r/min |
30080 | 62215 | 6731 | 13906 | 18408 | 37411 | 17735 | 36000 |
| Currnt A |
0.12 | 0.1 | 0.069 | 0.065 | 0.136 | 0.136 | 0.18 | 0.16 | |
| Con máxima eficiencia | VELOCIDAD r/min |
24010 | 52777 | 5363 | 11787 | 15640 | 33250 | 15155 | 32132 |
| ACTUAL A |
0.475 | 0.671 | 0.27 | 0.384 | 0.768 | 1.087 | 1.057 | 1.492 | |
| ESFUERZO DE TORSIÓN Mn.M |
1.373 | 2.095 | 3.822 | 5.97 | 4.041 | 6.075 | 5.062 | 7.589 | |
| PRODUCCIÓN W |
3.453 | 11.579 | 2.146 | 7.369 | 6.619 | 21.153 | 8.034 | 25.537 | |
| A PARTIR DE | ESFUERZO DE TORSIÓN Mn.M |
6.807 | 13.811 | 18.805 | 39.17 | 26.872 | 54.614 | 34.797 | 70.632 |
| ACTUAL A |
1.878 | 3.752 | 1.06 | 2.134 | 4.341 | 8.682 | 6.21 | 12.42 | |
| Diseño de productos |
|
|
|
|
|||||
| Rendimiento del producto |
|
|
|
|
|||||
| Imagen de producto | |||||||||
| Modelo de motor | Vec -2850 | Vec -2855 | Vec -3269 | Vec -2867 di | |||||
| VOLTAJE | Rango operativo | 8.4~14.4 | 22~26 | 8.4~14.4 | 22~26 | 8.4~14.4 | 22~26 | 8.4~14.4 | 22~26 |
| NOMINAL V |
12 | 24 | 12 | 24 | 12 | 24 | 12 | 24 | |
| Sin carga | VELOCIDAD r/min |
8658 | 17650 | 4716 | 11131 | 2566 | 5236 | 1556 | 3180 |
| Currnt A |
0.26 | 0.22 | 0.139 | 0.136 | 0.139 | 0.134 | 0.06 | 0.05 | |
| Con máxima eficiencia | VELOCIDAD r/min |
7261 | 15536 | 4140 | 10218 | 2146 | 4599 | 1295 | 2781 |
| ACTUAL A |
1.351 | 1.911 | 0.997 | 1.557 | 0.709 | 1.003 | 0.296 | 0.419 | |
| ESFUERZO DE TORSIÓN Mn.M |
14.867 | 22.492 | 21.362 | 36.066 | 26.076 | 42.08 | 12.364 | 18.772 | |
| PRODUCCIÓN W |
11.305 | 36.593 | 9.26 | 38.525 | 5.86 | 20.265 | 1.676 | 5.468 | |
| A PARTIR DE | ESFUERZO DE TORSIÓN Mn.M |
92.126 | 187.794 | 174.534 | 438.557 | 159.113 | 345.727 | 91.42 | 149.8 |
| ACTUAL A |
7.022 | 14.043 | 7.147 | 17.411 | 3.618 | 7.238 | 1.463 | 2.923 | |
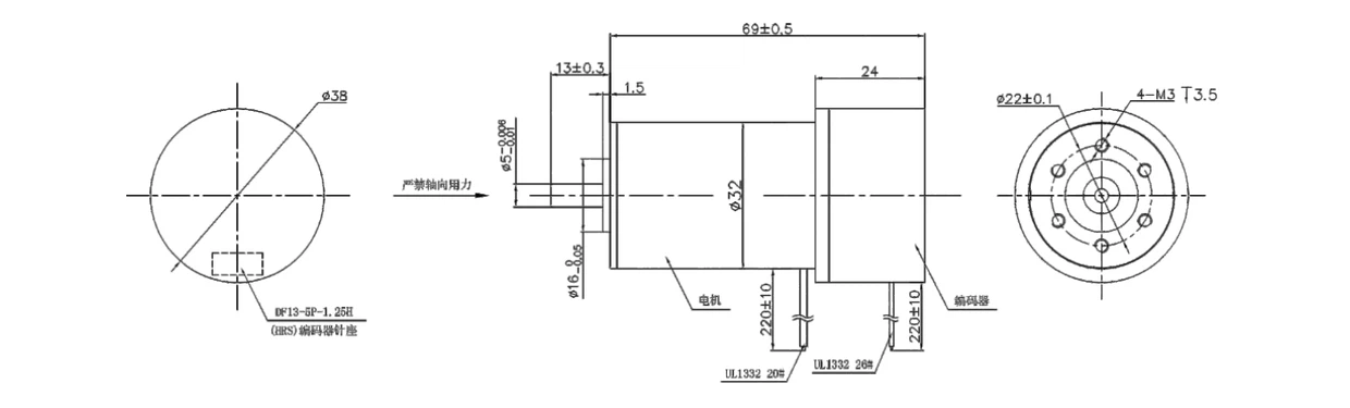
| Diseño de productos |
|
|
|
|
|||||
| Rendimiento del producto |
|
|
|
|
|||||
| Imagen de producto | |||||||||
| Modelo de motor | Vec -4035 | Vec -1656 Si | Vec -1657 | Vec -2838 | |||||
| VOLTAJE | Rango operativo | 12 | 22~32 | 8~14 | 22~32 | 8~14 | 22~32 | 8~16 | 18~26 |
| NOMINAL V |
12 | 24 | 12 | 24 | 12 | 24 | 12 | 24 | |
| Sin carga | VELOCIDAD r/min |
19540 | 39425 | 37256 | 7500 | 15649 | 32062 | 56942 | 92000 |
| Currnt A |
0.81 | 0.81 | 0.286 | 0.281 | 0.18 | 0.16 | 0.32 | 0.26 | |
| Con máxima eficiencia | VELOCIDAD r/min |
17266 | 36066 | 33133 | 69025 | 12871 | 27817 | 49659 | 82946 |
| ACTUAL A |
6.15 | 8.697 | 2.298 | 3.249 | 0.834 | 1.179 | 2.22 | 2.38 | |
| ESFUERZO DE TORSIÓN Mn.M |
38.234 | 56.474 | 7.165 | 10.555 | 4.788 | 7.317 | 4.247 | 5.957 | |
| PRODUCCIÓN W |
69.131 | 213.292 | 24.86 | 76.291 | 6.453 | 21.314 | 22.087 | 51.742 | |
| A PARTIR DE | ESFUERZO DE TORSIÓN Mn.M |
328.513 | 662.826 | 64.727 | 130.473 | 36.971 | 55.259 | 33.208 | 60.528 |
| ACTUAL A |
46.688 | 93.376 | 18.46 | 36.92 | 3.864 | 7.728 | 15.11 | 21.82 | |
| Diseño de productos |
|
|
|
|
|||||
| Rendimiento del producto |
|
|
|
|
|||||
VSDMotor Micro DC sin correos
VSD ofrece motores Micro DC Coreless, que son la opción líder de la industria para su excelente rendimiento y una amplia gama de aplicaciones. Nuestros productos cubren dos series, cepilladas y sin escobillas, para satisfacer las diferentes necesidades de los clientes. El cable esmaltado autoadhesivo se usa como material central de los motores, las bobinas se pueden unir y moldear después del tratamiento de calefacción o solvente, y el diseño del núcleo sin devanado permite que la eficiencia alcance un alto nivel de 80%{{3} }%.
En respuesta a las diversas necesidades de apariencia de los clientes, VSD admite la personalización del cuerpo, que incluye zinc azul electroplacado (prueba de pulverización de sal, 24H, prueba interna 36h o más), zinc de color electroplacado (spray de sal 48h, prueba interna 72H), placas de níquel (apariencia elegante , efecto promedio de pulverización de sal), electroforesis/pulverización (negro, pulverización de sal 48h, proceso complejo) y aleación de zinc-níquel electroplacado (excelente resistencia a Spray de sal, precio más alto). Además, los cojinetes del motor también se pueden personalizar, con opciones que cubren cojinetes engrasados, rodamientos de metalurgia en polvo y cojinetes de bolas, y que soportan una amplia gama de materiales: hierro (duro, resistente al desgaste y más fuerte), hierro de hierro -Basado (duro, resistente al desgaste y un poco menos ruidoso) y a base de bronce (suave, no resistente al desgaste, y con un excelente rendimiento de sonido).
En la serie cepillada, utilizamos pinceles de alta calidad para cumplir con diferentes requisitos de rendimiento, en los que utilizamos cristal de carbono hecho en China para una calidad normal y cristal de carbono importado (como Fuyong, una marca japonesa) para una alta calidad. Para las series sin escobillas, nuestros tableros de controladores optimizan el programa de control y los componentes electrónicos para lograr una variedad de funciones: regulación actual, control de velocidad PWM, control de rotación hacia adelante/reverso de CW/CCW y retroalimentación de señal FG y muchos otros soportes técnicos. Mientras tanto, los terminales de los motores sin escobillas se pueden adaptar de manera flexible de acuerdo con los requisitos del cliente para garantizar una mejor compatibilidad.
Nuestros motores Micro DC Coreless también se pueden integrar con cajas de cambios planetarias o codificadores magnéticos para el control de circuito cerrado, llevando las aplicaciones técnicas al siguiente nivel. Los motores funcionan particularmente bien en sistemas que requieren una respuesta rápida, como un ajuste preciso de la dirección de vuelo de misiles, la respuesta rápida del enfoque automático de la cámara, el movimiento del robot industrial y las prótesis biónicas. En autos de juguete, aeromodelos, cepillos de dientes eléctricos y otros productos básicos que tienen un tamaño limitado, VSD Hollow Cup Motors también pueden encajar perfectamente, proporcionando a los clientes un soporte de potencia eficiente y estable.
Al elegir los motores Micro DC Coreless de VSD, está obteniendo un producto de alta gama con excelente rendimiento, personalización flexible y una amplia gama de aplicaciones. Esperamos proporcionar la solución óptima para su proyecto.
Razones para elegir VSDMotor Micro DC sin correos
Ventajas del motor Micro DC sin correos
Aumento dramático en la eficiencia debido al diseño sin núcleo
Los motores DC miniatura de Coreless Coreless de VSD cuentan con un diseño sin correos que evita completamente las pérdidas de corriente de remolino asociadas con los núcleos de devanado convencionales, lo que resulta en eficiencias tan altas como 80%-90%, superando mucho la eficiencia de los motores sin cepillos convencionales de aproximadamente 60%de 60%de 60% . Este diseño de alta eficiencia proporciona a los clientes un mejor rendimiento y se destaca especialmente en aplicaciones de alta precisión y alta eficiencia.
Baja inercia rotacional para una respuesta de potencia más rápida
La estructura de la copa hueca reduce en gran medida la inercia rotacional del motor y elimina la pérdida de potencia causada por la corriente deult en el núcleo de hierro. Esto hace que el motor funcione de manera más extravagante en el proceso de aceleración rápida y desaceleración, y la respuesta de potencia rápida bajo un gran par proporciona una garantía confiable para condiciones de trabajo complejas.
Bajo consumo de corriente para un mejor ahorro de energía
Gracias al diseño único sin núcleo, el consumo actual del motor se reduce significativamente. Esta característica hace que los motores sin núcleo sean ideales para escenarios con batería, como drones pequeños, dispositivos portátiles, etc., que pueden extender efectivamente la resistencia del dispositivo y mejorar la eficiencia del uso.
Diseño liviano para altas demandas dinámicas
Ligero es una característica clave de los motores de micro DC sin correos. Los motores son más ligeros y tienen inercia más baja, lo que resulta en velocidades de respuesta más rápidas, lo que los hace ideales para escenarios de respuesta rápida, como sistemas de control de automatización, instrumentos de precisión y otros campos.
Materiales de alta calidad para durabilidad duradera
Los motores de Coreless de VSD utilizan una combinación de materiales de alta calidad y procesos de fabricación avanzados para garantizar una durabilidad superior y una larga vida. Mantiene un rendimiento constante durante largos períodos de operación al tiempo que reduce los costos de mantenimiento, proporcionando un valor a largo plazo al usuario.
Personalización flexible para satisfacer diversas necesidades
Para acomodar una amplia gama de escenarios de aplicación, VSD ofrece un servicio de personalización integral. Ya sea el tamaño, el material o las necesidades de rendimiento especiales, podemos adaptar la solución más adecuada a los requisitos específicos de nuestros clientes, asegurando la flexibilidad y la versatilidad.
Ventajas del motor profesional de micro DC sin correos
Como fabricante profesional de motores con más de 10 años de experiencia, VSD se ha estado cultivando profundamente en la industria del motor durante muchos años con fuerte fortaleza. En la actualidad, tenemos una fábrica moderna en China que cubre un área de 10 metros cuadrados 000, y de acuerdo con la demanda de producción, el taller de producción de motores cepillados y motores sin escobillas se diferencian estrictamente para garantizar la doble garantía de producción de producción. eficiencia y calidad.
Nos adherimos al modelo de suministro de fábrica directa, eliminando los enlaces intermedios y brindando a los clientes precios más competitivos, al tiempo que ganan la confianza del mercado con rendimiento de alto costo. Para mejorar aún más la confianza del cliente, también prestamos especial atención a la operación transparente y brindamos servicios de visita de fábrica en línea y fuera de línea. 2024, docenas de clientes internacionales nos han visitado en persona y han alcanzado la cooperación con nosotros después de la visita, bienvenidos para presenciar nuestra fortaleza juntos.
VSD siempre pone las necesidades de los clientes en primer lugar y se centra en el diseño personalizado. Podemos hacer ajustes flexibles de acuerdo con sus necesidades y proporcionar servicios completos de OEM y ODM para satisfacer las necesidades de aplicación de los mercados diversificados. La fábrica también tiene un taller especial de procesamiento de muestras para responder rápidamente a las necesidades del cliente y ayudar a los proyectos a avanzar sin problemas.
En términos de calidad del producto, seguimos estrictamente los estándares internacionales, y nuestra fábrica ha aprobado muchas certificaciones internacionales como ISO, CE, etc. También estamos equipados con equipos de prueba avanzados para garantizar que cada producto alcance el nivel de liderazgo en la industria.
Al elegir VSD, no solo está eligiendo un motor de micro CC sin coronos de alta calidad, sino que también elige un socio confiable. ¡Esperamos trabajar con usted para crear un gran éxito!
Nota:Obtenga más información sobre la planta micromotora de VSD.
Envíeconsulta
También podría gustarte











































